低頻功率放大器參考電路圖解大全
功(gong)(gong)率(lv)放(fang)大(da)器(qi)(qi)(qi)(qi)一般(ban)也被我(wo)們(men)稱為(wei)電壓放(fang)大(da)器(qi)(qi)(qi)(qi),主要是(shi)把微弱信號進行(xing)電壓放(fang)大(da),其輸入(ru)輸出的(de)電壓電流一般(ban)很小,不能夠直(zhi)接驅動(dong)功(gong)(gong)率(lv)較大(da)的(de)儀器(qi)(qi)(qi)(qi)。為(wei)了滿(man)足(zu)使用需(xu)求,需(xu)要在(zai)放(fang)大(da)器(qi)(qi)(qi)(qi)末(mo)級增加功(gong)(gong)率(lv)放(fang)大(da)器(qi)(qi)(qi)(qi)。而功(gong)(gong)率(lv)放(fang)大(da)器(qi)(qi)(qi)(qi)主要就是(shi)放(fang)大(da)信號功(gong)(gong)率(lv),同時放(fang)大(da)電壓電流,所(suo)以(yi)也屬(shu)于(yu)大(da)信號放(fang)大(da)器(qi)(qi)(qi)(qi)。
下面就來給大家介紹幾種比較常見的功率放大器電路圖。
一、雙(shuang)電源互補對(dui)稱功(gong)率放(fang)大器(OCL電路)

圖(tu):OCL電路原理圖
OCL電(dian)(dian)路的(de)電(dian)(dian)路結構如上圖所示。該(gai)電(dian)(dian)路主要由VT1(NPN型(xing))和VT2(PNP型(xing))和負載組(zu)(zu)成。它由兩(liang)組(zu)(zu)正負相等的(de)電(dian)(dian)源供電(dian)(dian)。信號是Ui,從兩(liang)管(guan)(guan)的(de)基極輸(shu)入,負載是Rl。VT1又稱上功率(lv)輸(shu)出(chu)管(guan)(guan),而VT2又稱下功率(lv)輸(shu)出(chu)管(guan)(guan)。
OCL電(dian)路的(de)(de)(de)工作原理(li):當信(xin)(xin)號(hao)電(dian)壓是(shi)正(zheng)(zheng)半(ban)周(zhou)的(de)(de)(de)時候,VT1正(zheng)(zheng)向導通,VT2截(jie)止,+VCC通過(guo)VT1的(de)(de)(de)c-e結,流(liu)過(guo)負(fu)(fu)(fu)載(zai),從而在負(fu)(fu)(fu)載(zai)上得到放大(da)后的(de)(de)(de)正(zheng)(zheng)半(ban)周(zhou)信(xin)(xin)號(hao);當信(xin)(xin)號(hao)電(dian)壓是(shi)負(fu)(fu)(fu)半(ban)周(zhou)的(de)(de)(de)時候,VT1截(jie)止,VT2正(zheng)(zheng)向導通,-VCC經負(fu)(fu)(fu)載(zai)與VT2的(de)(de)(de)e-c結到負(fu)(fu)(fu)電(dian)源,從而在負(fu)(fu)(fu)載(zai)上獲得放大(da)的(de)(de)(de)負(fu)(fu)(fu)半(ban)周(zhou)信(xin)(xin)號(hao)。正(zheng)(zheng)負(fu)(fu)(fu)半(ban)周(zhou)信(xin)(xin)號(hao)在負(fu)(fu)(fu)載(zai)上合成全(quan)波。該電(dian)路之(zhi)所以稱為(wei)互補(bu)對稱電(dian)路,是(shi)因(yin)為(wei)兩管(guan)交替(ti)工作,相互補(bu)充。
這(zhe)種電路功率大,效率高(gao),應用范圍廣,主要用于場輸(shu)出集成電路和平行四(si)邊形校正電路。
二、單電源(yuan)互補對稱(cheng)功率(lv)放大器(OTL電路)

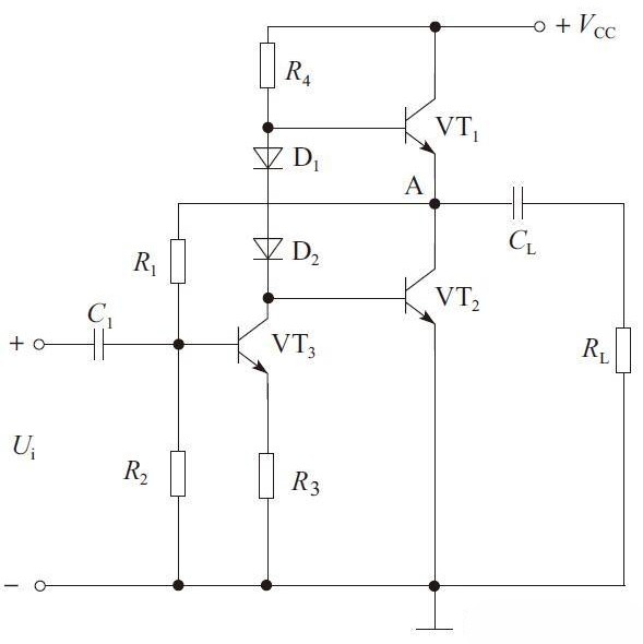
圖:OTL電路原理圖
OCL電(dian)(dian)路(lu)需要兩個電(dian)(dian)源,使用(yong)起來很不方便。因此,可以(yi)采(cai)用(yong)單電(dian)(dian)源供電(dian)(dian)的互(hu)補(bu)對(dui)稱功放電(dian)(dian)路(lu),也稱為OTL電(dian)(dian)路(lu)。如上圖所示。圖中VT3是(shi)前置(zhi)放大管,VT1、VT2組成互(hu)補(bu)對(dui)稱輸出級,D1、D2提供偏置(zhi)并具有溫度補(bu)償。C1是(shi)信號(hao)輸入耦(ou)合電(dian)(dian)容,CL是(shi)輸出耦(ou)合電(dian)(dian)容。R1、R2和(he)R3提供偏置(zhi)。A點(dian)是(shi)功放的中點(dian),其正常工作電(dian)(dian)壓為VCC/2。CL是(shi)一個相當于(yu)VCC/2的超大容量電(dian)(dian)源。
OTL電(dian)路(lu)工作原(yuan)理:在Ui的負(fu)半周(zhou)(zhou),VT3導(dao)通(tong)下(xia)降,集電(dian)極電(dian)壓(ya)升(sheng)高,使得VT1導(dao)通(tong)加強,VT2截(jie)止(zhi)。VCC通(tong)過(guo)VT1、RL對(dui)CL充電(dian),其充電(dian)電(dian)流(liu)(liu)在負(fu)載(zai)RL中產生(sheng)自上(shang)而(er)下(xia)的電(dian)流(liu)(liu)(ic1),在負(fu)載(zai)處形成輸出電(dian)壓(ya)Uo的正(zheng)半周(zhou)(zhou)。同時,電(dian)容(rong)器CL被充以“左正(zheng)右(you)負(fu)”的電(dian)壓(ya)。在Ui的正(zheng)半周(zhou)(zhou),VT3導(dao)通(tong)增多(duo),VT1截(jie)止(zhi),VT2導(dao)通(tong),CL上(shang)的電(dian)壓(ya)通(tong)過(guo)Q2、RL放電(dian),放電(dian)電(dian)流(liu)(liu)產生(sheng)自下(xia)而(er)上(shang)的電(dian)流(liu)(liu)(ic2),它形成輸出電(dian)壓(ya)Uo負(fu)半周(zhou)(zhou)。結果是負(fu)載(zai)得到(dao)放大的輸出信號(hao)Uo。
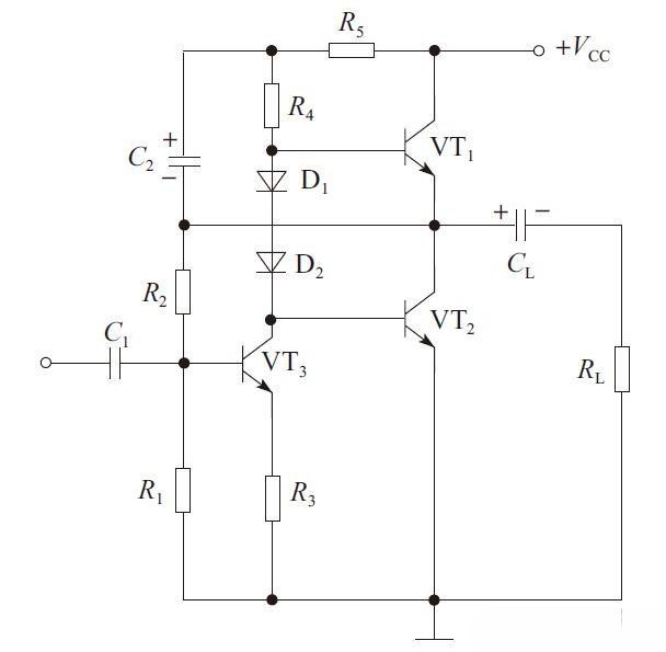
該電路存在(zai)動態范圍較(jiao)小和最大輸(shu)出電壓(ya)幅(fu)值不(bu)足的問題。隨著VT3集電極電壓升高,VT1因基極電位升高而導通,導通越強,中點電壓越高,使得正偏置電壓Vbe1下降,VT1的動態范圍減小,最大輸出電壓太小。解決方法是加一個自舉電容C2和電阻R5,如下圖所示。

圖:增加電(dian)容(rong)和電(dian)阻后的OTL電路原理圖
安泰功率放(fang)大器(qi)推薦:ATA-4011B高壓功率放大器

圖:功率放(fang)大器ATA-4011B指標參數
以上就是安泰電子帶來的低頻功率放大器參考電路圖解大全的內容,如果對于功率放大器還有什么不清楚的,歡迎隨時咨詢我們。西安安泰(tai)電子是專(zhuan)業從事功率放大器、高壓(ya)放大(da)器、功率信號(hao)源、前置微(wei)小信號(hao)放大器、高精度電壓源、高(gao)精(jing)度電(dian)流源等電子測量(liang)儀器研發、生產和銷(xiao)售的高科技企業。公司致力于功率放大器、功率信號源、計量校準源等(deng)(deng)產(chan)品(pin)為核(he)心(xin)的相關(guan)行(xing)業測試解決方案(an)的研究(jiu),為用戶(hu)提供具有競爭力的測試方案(an),Aigtek已經成為在業界擁有廣泛產(chan)品(pin)線,且具有相當規模的儀器設備供應商,樣機(ji)都支持(chi)免費試用。如想了解更多功率放大器等(deng)(deng)產(chan)品(pin),請持(chi)續(xu)關(guan)注安泰電子官網hkdyw.cn或撥打029-88865020。
原文鏈接://hkdyw.cn/news/892.html

























