安泰高壓放大器
更多Aigtek-前置放大器解決方案
更多Aigtek-前置放大器行業新聞
更多-
前置放大器原理介紹-前置放大器和功率放大器的區別是什么?
前置放大器是指置于信源與放大器級之間的電路或電子設備,是專為接受來自信源的微弱電壓信號而設計的。它能將弱電信號轉換成輸出... ...發(fa)布時間:2025-08-22
-
什么是前置放大器?如何和功率放大器作區分?
大家好~這里是Aigtek科普時間,對于功率放大器相信大家一定并不陌生,而與功率放大器看起來很相近的前置放大器又是什么呢... ...發布時間:2025-08-22
-
Aigtek前置放大器在高頻信號檢測系統中的作用
利用約瑟夫森效應獲取電磁信號的頻譜信息是超導電子學的重要應用之一,在實驗室已搭建的高頻信號頻譜檢測系統基礎上研究了前置放... ...發布(bu)時間:2025-08-22
-
Aigtek前置放大器在微弱信號檢測中的應用進展
微弱信號的檢測和處理技術主要運用迅速發展起來的電子學、信息論以及物理方法等加以分析噪聲,對信號進行檢測、采集有用信號。微... ...發布時間:2025-08-22
-
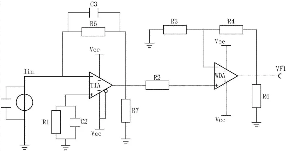
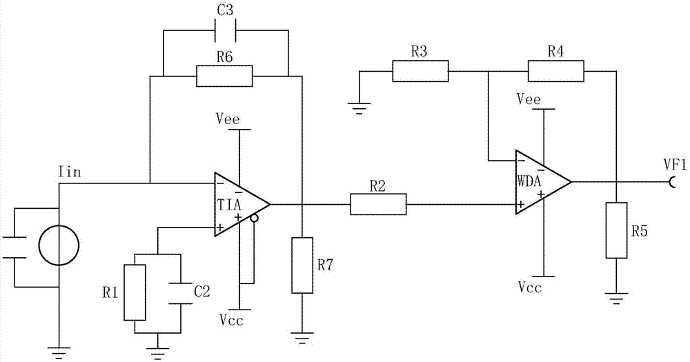
極弱電流信號檢測電路中前置放大器模擬測試方案
極弱準直流電流信號測量技術在精密儀器儀表研制過程中有著廣泛地應用,其中前置放大器是核心,決定了系統的噪聲水平和響應時間常... ...發布時間(jian):2025-08-22






























